Étude d’opportunité du Réseau Express Métropolitain, Rouen
Le projet de Réseau Express Métropolitain (REM) de Rouen s’inscrit pleinement dans la transition écologique en favorisant les déplacements quotidiens des habitants en transports collectifs. L’objectif de ce projet est de trouver une réponse alternative au tout automobile pour desservir les zones périurbaines en développant une offre ferroviaire performante. Il s’agit ici d’apporter de la lisibilité au réseau sous une identité forte type « RER », d’offrir un service ferroviaire cadencé avec une amplitude horaire importante, de favoriser des offres multimodales en coordonnant les offres ferroviaires avec celles du réseau urbain et de sécuriser les rabattements pour tous les modes en gares et haltes.
Prestation :
Études ferroviaires
Maître d’ouvrage :
SNCF Réseau – Direction territoriale Normandie
Lieu :
Rouen (France)
Année :
2022 – 2023
Caractéristiques du projet
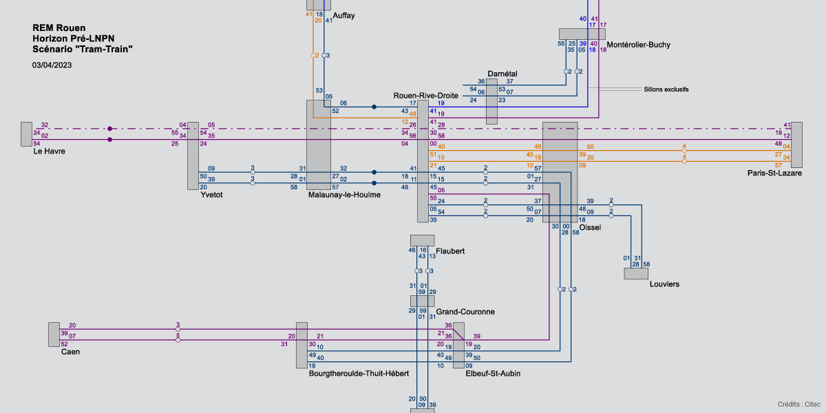
- Étoile ferroviaire à 5 branches avec 3 bifurcations majeures
- Gare de Rouen Rive Droite à 6 quais, arrivée à saturation
- Périmètre qui s’étend sur 3 aires urbaines : Métropole de Rouen, Yvetot Normandie et l’aire de Louviers
Rôle de Citec
En association avec Arcadis :
- Ensemble du volet exploitation ferroviaire de l’étude avec l’utilisation du logiciel Viriato
- Création de grilles horaires 24h à l’horizon court terme et de trames systématiques pour chaque scénarii des horizons pré et post-LNPN (la Ligne Nouvelle Paris Normandie)
- Analyse fine des points durs d’exploitation (bifurcations, terminus, etc.) et de la robustesse des horaires produits
- Définition des besoins en infrastructures
- Calculs de marche sur la ligne 365/370 (projet de réouverture)
Parlez-nous de vos projets
Nos experts sont à votre écoute.
